A wide range of high quality controllers for various power applications

SmartGen HPM110 Synchronizing Module

* All prices on this website are retail in USD on EXW incoterms

(0)

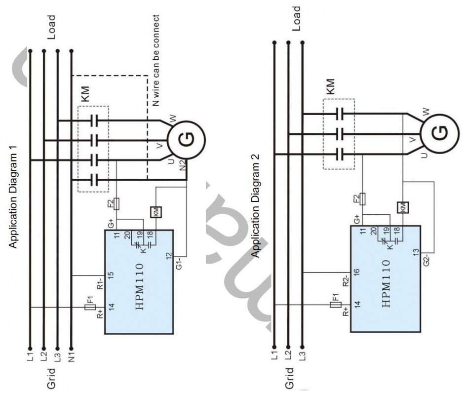
HPM110 Synchronizing module is designed for automatic synchronizing; It cans automatic check conditions (Voltage difference, frequency difference, phase difference) for synchronized. And send synchronized signal when conditions is OK. Applicable for synchronized of Grid-Grid, Grid-Genset, Genset -Genset.

Performance and characteristics:
HPM110 Synchronizing module adopts a large scale integrated circuit and its characteristics are as follows:
1. Input voltage for 220VAC or 380VAC, applicable for various voltage systems.
2. Accurate synchronized, low impulse current when switch on.
3. c)Fast action will switch on within the first period of allowed differential phase.
4. Circuit set interlock, safe and reliable, not misoperation.
5. e)Modular design, compact structure, small volume, light weight, guide rail install or with four screws fastness, convenient installation.

Why SmartGen?

  • More than 200,000 units yearly
  •  19 years of successful business
  • More than 50 offices worldwide
  • Almost 200 technology patents
  • ISO, GM and CCSR certificates
  • High quality and low prices
  •  Wide variety of generator parts

SEND A REQUEST

Name*
Your E-mail*
Message*
CAPTCHA
CAPTCHA
Type the letters you see on the picture*

NEWS